|   | ||
|   全部產品分類
 | ||
 
                             
                        
 
                            
                
 
                    
                
 
                    
                 
                         
                         
                         
 對比
對比
 個人收藏
    個人收藏
 加入企業產品庫
加入企業產品庫
 
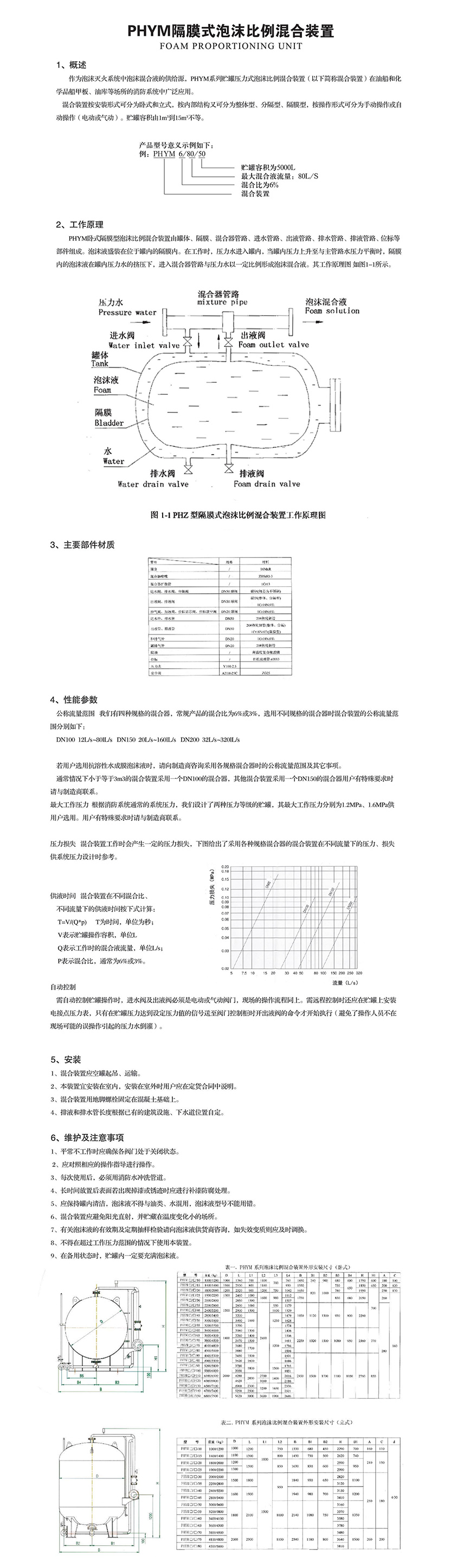
            | 隔膜式泡沫比例混合裝置 | |||
| 混合比: | 6% | 最大混合液流量: | 80l/s | 
| 貯罐容積: | 2000l | 安裝方式: | 臥式 | 
| 重量: | 1800/2000kg | ||
 
        
 
        | -供應商聯系方式- | |||||
|   | 公司名稱: | 上海安航海上消防設備有限公司 |   | 聯系人姓名: | 孔祥征 | 
| 公司地址: | 上海市新華路543號2號樓19F | 聯系人電話: | 15800358542;021-63212280 | ||
| 聯系人郵箱: | shanghai-anxing@vip.163.com | ||||