|
||
全部產品分類
|
||
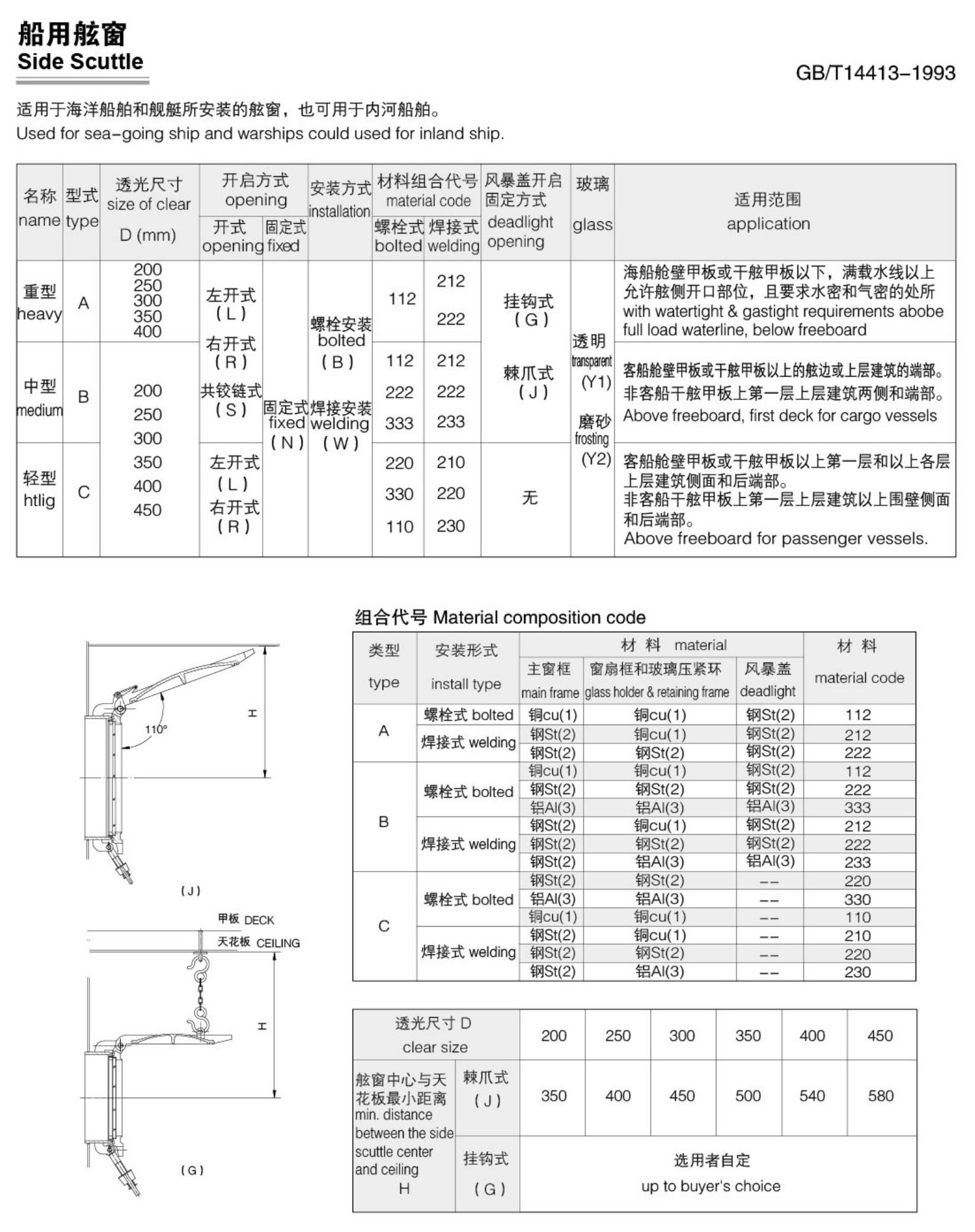
| 船用舷窗 | |||
| 安裝方式: | 螺栓式 | 圍壁開孔尺寸: | 413 |
| 透光尺寸: | 350Φ | 玻璃類型: | 磨砂 |





| -供應商聯系方式- | |||||
|
|
公司名稱: | 南京遠大船舶附件有限公司 |
|
聯系人姓名: | 官經理 |
| 公司地址: | 南京市溧水區洪藍鎮工業集中區七里甸路22號 | 聯系人電話: | 13951642882 | ||
| 聯系人郵箱: | yuanda2882@yeah.net | ||||